Archiwum
- SENSORY 30
Sensory
elektrometryczne...
Obszernie
temat sensorów elektrometrycznych potraktowano w:
Norton
, H.: Sensor and Analyser
Handbook, Prentice-Hall,
Englewood Cliffs, New Jersey, 1982.
Fragment spisu treści:
„Conductivity
sensor
pH
sensor
ORP
Redox sensor
Specific
ion sensor
Coulometric
sensor
Polarographs
sensor
Electrometric
gas analyser”
Elektrometryczne
są wszystkie komory jonizacyjne i sensory neutronów.
Napięcie
wyjściowe elektrometrycznych sensorów gazu jest proporcjonalne do
zawartości mierzonego gazu. W podgrzewanym sensorze gazu elektroda
pomiarowa jest zoptymalizowana do utleniania lub redukcji mierzonego
gazu. Sygnał wyjściowy jest proporcjonalny do nasilenia reakcji
Redox
Sensory
elektrometryczne stosuje się w systemie „Blood Gas Analyser” do
oznaczania niektórych parametrów krwi pacjenta
Chromatografia
gazowa jest stosunkowo nową dziedziną wiedzy i praktyki. Brytyjski
chemik Archer Martin razem z Richardem Synge zdobyli w 1952 Nagrodę
Nobla w chemii za odkrycie chromatografii cząstek. Sama idea
chromatografii znana jest od początka wieku ale dopiero w latach
pięćdziesiątych wzbudziła większe zainteresowanie.
Cały
czas powstają nowe detektory - sensory do chromatografów i z
pewnością nie powiedziano jeszcze ostatniego słowa w tej
dziedzinie. Nowe chromatografy są coraz bardziej zautomatyzowane i
skomputeryzowane.
Podstawowymi
systemami każdego chromatografu są:
-
system dozowania ( pobranej ) próbki, który może być bardzo
rozbudowany i zautomatyzowany
-
sterowany dokładny piec
-
kolumna chromatograficzna
-
detektor lub detektory
Obecnie
chromatograf współpracuje z komputerem PC a dawniej podawał sygnał
analogowy do rejestratora.
Chromatografia
gazowa jest wygodną i wydajną metodą analizy mieszanin związków
chemicznych. Można nią także ocenić czystość substancji.
Chromatografię
gazową stosuje się w laboratoriach naukowych, przemysłowych i
medycznych. Chromatograf jest niezbędny w zaawansowanym laboratorium
petrochemicznym, farmaceutycznym, kosmetycznym, spożywczym i ochrony
środowiska.
Nietrudno
zauważyć że nowoczesny Chromatograf jest tam gdzie zarabia się
już duże pieniądze a przyszłość tych dziedzin wygląda różowo.
Na
podstawie zanieczyszczeń detalicznie rozprowadzanych narkotyków w
USA określa się z którego zagranicznego przestępczego
laboratorium pochodzą narkotyki. Rząd USA bez ceregieli,nie
przejmując się prawem międzynarodowym, wysyła tam potajemnie
samolot wielozadaniowy lub helikopter i dokonuje małego precyzyjnego
bombardowania lub wysyła tam helikopterem komandosów na akcje
likwidacyjną lub opłaca lokalną agenturę która morduje bosów
narkotykowych.
Chromatografia gazowa
wymaga użycia bardzo małej ilości analizowanej substancji co jest
czasem sporą zaletą.
Elementami
wykonawczymi w chromatografie są ( w zautomatyzowanym pobieraniu
próbek silniki krokowe), pompy, zawory, grzejniki, solenoidy,
transformatory zapłonowe.
Do
załączania organów wykonawczych na napięcie sieciowe lub niższe
bardzo użyteczne są triaki sterowane optotriakami serii MOC3040 w
obudowie DIP6 załączanymi w zerze napięcia sieciowego. Operacja
załączania i wyłączania są praktycznie bezzakłóceniowe jako że
dokonywane są przy małym napięciu na triaku a dodatkowo przy małym
napięciu reakcja triaka jest spowolniona. Regulacja grupowa mocy
grzałki nie powinna zmniejszyć pasma pętli regulacji temperatury.
Należy
wykluczyć użycie generujących silne zakłócenia przekaźników
stykowych.
Używane
są standardowe sensory temperatury PT100 i termopary.
Najważniejszymi
i najtrudniejszymi częściami każdego chromatografu gazowego są
detektory – sensory i ich interfejsy a zwłaszcza wzmacniacze
elektrometryczne. Właśnie wzmacniaczom poświęcony jest niniejszy
papier.
W
chromatografach stosowane są Detektory Jonizacyjne:
-FID,
Flame Ionisation Detector. Strumyczek gazu nośnika ( często azot )
z gazem badanym wprowadzany jest do małej komory jonizacyjnej gdzie
do małej dyszy doprowadzony jest spalany wodór i tlen lub
powietrze. Po zapaleniu płomyczka zapłonnikiem następuje jonizacja
skutkującą przepływem małego prądu mocno zależnego od składu
badanej substancji. Między elektrodami detektora utrzymywane jest
stabilne napięcie rzędu 100-300Vdc o stałej lub przełączanej
biegunowości. Prąd wyjściowy ( najczęściej o jednym znaku )
detektora jest doprowadzony do wzmacniacza elektrometrycznego. Ogólna
idea realizowana jest na wiele sposobów. Elementem interface sensora
jest też zapłonnik.
-PID,
Photo Ionisation Detector. Strumyczek gazu nośnika ( często azot )
z gazem badanym wprowadzany jest do małej komory jonizacyjnej gdzie
jest mocno oświetlany krótkofalowym ( 10-400 nm ) jonizującym
promieniowaniem ultrafioletowym UV. Następuje jonizacja skutkującą
przepływem między elektrodami detektora małego prądu mocno
zależnego od badanej substancji. Między elektrodami detektora
utrzymywane jest napięcie rzędu 100-300Vdc. Prąd wyjściowy
detektora jest doprowadzony do wzmacniacza elektrometrycznego. Ogólna
idea realizowana jest na wiele sposobów. Lampa UV zasilana jest
napięciem stałym 600-2000V lub napięciem o częstotliwości
radiowej podanym do elektrod na lampie lub do cewki generującej pole
magnetyczne w lampie. Wysiłki idą w kierunku minimalizacji mocy
konsumowanej przez lampę UV jako że przenośny, zasilany bateryjnie
przyrząd z sensorem PID może służyć do badania zanieczyszczeń
atmosfery i nie tylko.
-ECD,
Electron Capture Detector. W tym detektorze jonizacji gazu w komorze
jonizacyjnej dokonuje promieniowanie radioaktywnego Niklu-63.
N.B.
Znanych jest 17 radioizotopów niklu. Najtrwalszy nikiel-59 ma
okresie półrozpadu 76 000 lat, nikiel-63 100 lat, nikiel-56 –
16,6 roku. Inne radioizotopy niklu mają czas półrozpadu mniejszy
niż 60 godzin a większość ma okres półtrwania krótszy niż 30
sekund.
Nikiel-59
znalazł zastosowanie w geochemii izotopowej. Służy do ustalenia
ziemskiego wieku meteorytów i określania zawartości pozaziemskiego
pyłu w lodzie i osadach.
Komora
jonizacyjna jest nagrzewana do regulowanej temperatury. Sygnał
wyjściowy podany jest do wzmacniacza elektrometrycznego. System
sprzężeniem zwrotnym podaje na jedną elektrodę detektora krótkie
impulsy o wybieranej amplitudzie do 30V i szerokości 0.1-1 usec o
częstotliwości proporcjonalnej do aktywności wychwytu elektronów.
-NPD,
Nitrogen Phosphorus Detector. Idea pracy jest podobna jak w FID. Do
strumyczka gazów wypływających z kolumny chromatograficznej dodaje
się w komorze detektora wodór i tlen lub powietrze.
Na
powierzchni ceramicznego katalizatora z metalami alkalicznymi,
ogrzewanego do temperatury 600−800C, powstaje warstwa plazmy.
Do
elektrody w komorze podawane jest napięcie polaryzacji do 100V i
odbierany jest prąd wyjściowy do wzmacniacza elektrometrycznego.
N.B.
Komora jonizacyjna pobiera znikomy prąd ze źródła napięcia
zasilającego 100-300V. Generalnie nowocześniejsze detektory
wymagają mniejszych napięć z podanego zakresu, zdarza się że
mniejszych od 100V.
Konstrukcja
odpowiedniego stabilnego zasilacza może być kłopotliwa.
Szczególnie należy zważać na zakłócenia wytwarzane przez
transformator i przebiegi z niego o znacznych napięciach.
|
|
Koncern
Hewlett - Packard stosuje generator tranzystorowy w układzie
Meisnera z transformatorkiem ( wymagana doskonała izolacja )
małym toroidalnym rdzeniem ferrytowym pracujący na
częstotliwości 2 MHz i dwa powielacze napięcia dla znaku
dodatniego i ujemnego napięcia wyjściowego.
|
Równolegle połączone
bufory / invertery CMOS 4049 / 4050 można zasilić napięciem18V i
wyjściowy sygnał prostokątny podać do diodowego powielacza
napięcia. W ten sposób bez problemu uzyskamy napięcie ponad
100Vdc. Zaletą rozwiązania jest także brak transformatorka, jakże
kłopotliwego i drogiego przy jednostkowej produkcji. Przy montażu
obustronnym w technologi SMD zajęte na PCB miejsce może być małe
W
fizyce i przemyśle jądrowym szeroko stosuje się detektory
promieniowania jonizującego. Sygnał elektryczny pierwotnie
generowany w detektorach promieniowania jonizującego jest
przypadkowym ciągiem impulsów prądowych. Każdy impuls odpowiada
elementarnemu aktowi detekcji. Ładunek impulsu odpowiada energii
promieniowania. Impulsy mogą być wzmacniane wzmacniaczami
szerokopasmowymi lub można mierzyć wartość średnią prądu
wyjściowego ( jak w chromatografach ), która może być bardzo
mała.
Sensory
/ detektory o dużej lub ogromnej rezystancji wewnętrznej dające
bardzo mały prąd wyjściowy współpracują ze wzmacniaczami
elektrometrycznymi. Takie sensory o małej i średniej dokładności
miewają wbudowany wtórnik na tranzystorze JFet o bardzo małym
upływie bramki co ułatwia budowę systemu z tymi sensorami.
W
konstrukcji wzmacniacza – interfejsu dla bardzo małych prądów
trzeba zachować daleko idącą ostrożność w wyborze materiałów
izolacyjnych ( i ich konkretnej jakości od konkretnego dostawcy )
pamiętając o rezystywności objętościowej izolatora, efekcie
tryboelektrycznym, odporności na powierzchniową absorpcję wody
gwałtownie zwiększającą upływ i efekt piezoelektryczny. Do
ewentualnego przesyłania sygnału ( odległość musi być jak
najmniejsza, najlepiej jest go nie przesyłać a integrować
wzmacniacz z sensorem ) trzeba użyć specjalnego kabla o podwójnym
ekranie i specjalnych złącz.
Poniżej
fragment z „Data Sheet” układu AD549 firmy Analog Devices:
„Other
guidelines include keeping the circuit layout as compact as possible
and keeping the input lines short. Keeping the assembly rigid and
minimizing sources of vibration reduces triboelectric and
piezoelectric effects. All precision, high impedance circuitry
requires shielding against interference noise. Use low noise coaxial
or triaxial cables for remote connections to the input signal lines.
Table
3. Insulating Materials and Characteristics
Material
|
Volume
Resistivity (V to CM)
|
Minimal
Triboelectric Effect
|
Resistance
to Water Absorption
|
Minimal
Piezoelectric Effect
|
Teflon
|
10e17
to 10e18
|
W
|
W
|
G
|
Kel-F®
|
10e17
to 10e18
|
W
|
M
|
G
|
Sapphire
|
10e16
to 10e18
|
M
|
G
|
G
|
Polyethylene
|
10e14
to 10e18
|
M
|
G
|
M
|
Polystyrene
|
10e12
to 10e18
|
W
|
M
|
M
|
Ceramic
|
10e12
to 10e14
|
W
|
M
|
W
|
Glass
Epoxy
|
10e10
to 10e17
|
W
|
M
|
W
|
PVC
|
10e10
to 10e15
|
G
|
M
|
G
|
Phenolic
|
10e5
to 10e12
|
W
|
G
|
W
|
G:
good with regard to property; M: moderate with regard to property; W:
weak with regard to property”
N.B
Skutecznym sposobem ograniczenia upływu powierzchniowego, także w
układach scalonych i na płytkach drukowanych PCB jest pierścień
ochronny.
Z
tabeli wynika że użycie laminatu papierowo-fenolowego w płytce
drukowanej PCB jest wykluczone ale płytka drukowana szklano -
epoksydowa może być źródłem zaskoczenia i problemów bowiem jej
jakość izolacyjna bardzo zależy od dostawcy a nawet partii
produkcyjnej. Przybliżony pomiar prądu upływu między ścieżkami
płytki drukowanej PCB nie jest specjalnie trudny ale zabiera trochę
czasu.
Autor
ze zdumieniem stwierdził że użyty do konstrukcji układu testowego
przewód ekranowany ma silny efekt tryboelektryczny i absorbuje wodę
a płytka drukowana ma wielki upływ ! Zminiaturyzowano więc
elektrometryczny logarytmiczny ( i regulowany eksponencjalny )
wzmacniacz do fotodiody wykonany na układzie CA3140 i kabel stał
się zbędny. Piny fotodiody, wejścia układu scalonego i kolektora
logarytmującego tranzystora połączono w powietrzu ! Emisja ciepła
przez układ CA3140 przy całkowitym zasilaniu 5V jest znikoma.
Rezystory
o wartości wielu GOhm są nietypowe, nie ma ich w normalnej
światowej sieci dystrybucji, są mikroprodukcją. Mają szalone
ceny. Należy z nimi postępować bardzo ostrożnie, nie wolno ich
dotknąć gołą dłonią aby nie zanieczyścić powierzchni solą i
nie spowodować upływu. Nieumiejętne, zbyt „brutalne”, wygięcie
końcówki może uszkodzić rezystor albo zmienić jego wartość.
Rezystory te mają duże szumy i są niestabilne.
Lampa elektronowa do
wzmacniacza elektrometrycznego pracowała w warunkach zapewniających
płynięcie bardzo małego prądu siatki. Prąd siatki ma składową
elektronową i jonową. Składowe prądu jonowego dokładnie
zidentyfikowano już przed wojną. Zwykła mała lampa ma w normalnym
punkcie pracy przy ujemnym napięciu siatki prąd siatki w granicach
1e-8 ...1e-9 A. Typowa lampa elektrometryczna jest tetrodą z siatką
ekranowaną od strony katody ( tak zwana ciemna katoda ) dla
eliminacji jonów choć produkowane też bezpośrednio żarzone
triody elektrometryczne. Lampa jest celowo niedożarzona, pracuje z
małym napięciem anodowym rzędu 5-10V i małym prądem anody. Ma
małe wzmocnienie napięciowe i pod tym względem lepsze są pentody
elektrometryczne. Przy starannej izolacji specjalnej lampy uzyskiwano
prąd siatki w granicach 0.01-10 pA. Stałe napięcie żarzenia jest
stabilizowane. Nie do pomyślenia jest żarzenie zmiennym napięciem
sieciowym 50 Hz. Firmy amerykańskie i niemiecki koncern AEG
niedrogie dedykowane lampy elektrometryczne produkowały od lat
trzydziestych - czterdziestych do sześćdziesiątych. Były one
naśladowczo produkowane w NRD, Czechosłowacji i w Polsce a w ZSRR
są one nadal produkowane co jest śmiesznym anachronizmem. Są one
stosowane w radzieckich radiometrach i rentgenometrach będących
kopia amerykańskich urządzeń sprzed dekad. Układ jest w nich
zmontowany na niskoupływnej płytce z plexi czyli polimetakrylanu
metylu ! Użyto w nim rezystorów o wartości 68 GOhm i 680 MOhm.
Najpopularniejszym zastosowanie takiej lampy elektrometrycznej był miernik pH. Oprócz sensorów pH produkowanych jest ponad 20 rodzajów elektrod jonoczułych dla mierzenia aktywności jonów: Na+, K+, Ca++, Cu++, CN-, Hg++, Br-, Cl-,NH4+, SCN-, F-, I-. Wszystkie te sensory podobnie jak sensor pH ( budowa ich wszystkich jest podobna ale użyte są różne substancje ) dają sygnał o dużej lub bardzo dużej oporności wewnętrznej i sygnał ten zawsze jest mocno zależny od temperatury. Tak więc zawsze równolegle mierzona jest temperatura otoczenia lub mierzonego płynu.
Lampa „elektrometryczna” na duży dryft napięcia wejściowego i szumy. Absolutnie nie spełnia dzisiejszych wymagań. Poza tym jest kłopotliwa aplikacyjnie, duża i względnie droga oraz mało trwała. Lampy elektrometrycznej nie wolno dotknąć gołą dłonią bowiem osadzone na szkle sole dają upływ. Szkło bańki lampy jest wysokiej jakości.
Mały
prąd polaryzacji miały modułowe wzmacniacze parametryczne z
diodami pojemnościowymi modulatora ( varicap / varactor ) pracujące
według zmodyfikowanej idei wzmacniacza z przetwarzaniem. Wcześniej
stosowano zamiast diod pojemnościowych modulowane mechanicznie (
częstotliwość modulacji 500 – 5000 Hz ) kondensatory dynamiczne.
Do dwóch diod pojemnościowych w przeciwfazie podane jest z
generatora napięcie zmienne o napięciu circa 100 mV ( im jest
większe tym większa jest sprawność przetwarzania napięcia
stałego na wyjściowe napięcie zmienne ale zbyt duże napięcie
powoduje pojawienie się prądu przewodzenia diod ) częstotliwości
około 100 KHz i wejściowe napięcie stałe. Napięcie zmienne z
rozbalansowanego układu diod pojemnościowych modulatora podano do
wzmacniacza tranzystorowego i detektora synchronicznego. Układ musi
być ekranowany aby radiostacje długofalowe nie spowodowały
zakłóceń. Z racji użycia detektora fazowego przesuniecie fazowe
wzmacniacza musi być bliskie zeru i takie jest w pokazanym układzie
Szumy
tych wzmacniaczy były jednak dość duże a pasmo bardzo wąskie.
Wzmacniacze były duże i drogie. Poniżej dwa samo-objaśniające
się schematy wzmacniaczy elektrometrycznych.
W
pierwszym względnie prostym schemacie do dwóch szeregowo
połączonych varicapów doprowadzono w przeciwfazie z generatora dwa
napięcia zmienne 100mV o częstotliwości 100KHz. Sygnał z
modulatora wzmocniono w pięcio tranzystorowym wzmacniaczu i podano
transformatorkiem do diodowego detektora fazy.
W
drugim bardziej skomplikowanym ( rzekomo lepszym ale zdaniem autora
nieudanym ) rozwiązaniu podano większe napięcie zmienne około
200mV do varicapów modulatora i ujemnie spolaryzowano varicapy aby
nie wchodziły w przewodzenie. Ma to na celu polepszenie sprawności
przetwarzania napięcia stałego na zmienne. Użycie selektywnego
wzmacniacza jest niezrozumiałe jako że użyty jest detektor fazowy
eliminujący z filtrem za nim zakłócenia. Użyte wzmacniacze
operacyjne zupełnie nie nadają do wzmacniania długofalowego
sygnału radiowego toteż zastosowano niską częstotliwość sygnału
z generatora co pogarsza własności. Z pewnością elektronika
takiego wzmacniacza zostałaby scalona ale wyszły one z użytku.
Modułowe,
hybrydowe i w końcu monolityczne wzmacniacze operacyjne z wejściowym
stopniem bipolarnym miały bardzo duży prąd wejściowy. Dość
szybko podjęto produkcje raczej nieudanego wzmacniacza
monolitycznego z wejściowymi tranzystorami JFet typu uA 740 - w
tamtej technologi parametry wejściowych tranzystorów JFet były
mierne.
Kilka
słów wyjaśnienia o złączowych polowych tranzystorach JFet.
Prąd
polaryzacji ( bez prądu nadmiarowego o czym dalej ) bramki
złączowego tranzystora polowego podwaja się przy przyroście
temperatury co 10C i jest proporcjonalny do powierzchni tranzystora.
Silnie rośnie wraz ze znacznym prądem i napięciem drenu.
Z
fizyki działania tranzystora JFet wynika że widmowa gęstość
napięcia szumów maleje wraz z powierzchnią tranzystora i rosnącym
do pewnej wartości prądem pracy.
Do
współpracy z nisko - impedancyjnym źródłem sygnału ( czyli
przeciwieństwo sensora elektrometrycznego ) koncern Toshiba
produkuje tranzystor polowy 2SK170 o dość dużej powierzchni mający
przy częstotliwości 1 KHz gęstość napięcia szumów poniżej
0.95nV/pHz przy prądzie drenu powyżej 1 mA a więc mniejszą niż
wiele tranzystorów bipolarnych !
|
|
Przy
źródle sygnału o oporności z przedziału kilkaset omów do 100
KOhm przy częstotliwości 1 KHz przy prądzie drenu 1 mA
współczynnik szumów tranzystora 2SK170 wynosi blisko 0 db !
Niestety w tranzystorach JFet silne są szumy 1/F ale znacznie
słabsze niż w Mosfetach.
Z
racji dużej powierzchni tranzystora pojemność bramki
tranzystora 2SK170 Ciss wynosi aż 30 pF. Tranzystor więc musi
być często użyty w konfiguracji kaskodowej z tranzystorem
bipolarnym co jednak nie powiększa zauważalnie szumów.
|
|
|
Extra
prąd bramki z jonizacji zderzeniowej w tranzystorze JFet. Prąd
bramki każdego tranzystora JFet ( a w tym pokazanego 2SK170 )
dodatkowo (ponad normalną upływność bramki ! ) bardzo silnie
rośnie wraz prądem i napięciem drenu.
Prąd
może przybierać rozmiary katastrofalnie wielkie.
W
tranzystorach P-JFet efekt ten jest znacznie mniejszy.
|
W
ogólności sensory - źródła sygnału mają oporność z
przedziału 1 – 10e12 Ohma. Optymalny dla źródeł sygnału o
wielkiej oporności / impedancji tranzystor JFet musi mieć ( bardzo
) małą powierzchnie. Musi pracować z małym prądem drenu i przy
umiarkowanych napięciem drenu. Tranzystor taki dla źródeł o
średniej i małej oporności będzie miał duży poziom szumów. Nie
ma więc uniwersalnych tranzystorów JFet i wzmacniaczy operacyjnych
z nimi !
W
zakresie małych częstotliwości tranzystory P-JFet i P-MOSFet mają
mniejsze szumy niż typy N.
Wejściowy
różnicowy stopień bipolarny ma temperaturowy dryft napięcia
niezrównoważania 3.3uV/1 mV. Wynika ono m.in z różnic powierzchni
tranzystorów pary różnicowej i różnic oporności rezystorów
kolektorowych lub równoważnej asymetrii wyjściowego lustra
prądowego. Stosując m.in wysokorozdzielczą technologie i względnie
duże tranzystory stopnia różnicowego można niezrównoważenie i
jego dryft mocno zredukować. Można je też w końcowym procesie w
odpowiedniej technologii produkcji trymować laserowo.
NB.
Układ taniego sensora temperatury LM335 ma wyjściowe napięcie
proporcjonalne do temperatury w skali Kelwina ze stałą 10 mV/K.
Iloraz powierzchni tranzystorów różnicowej pary użytej w nim jako
sensor temperatury jest duży.
Napięcie
niezrównoważenia pary różnicowej tranzystorów JFet jest w tej
samej technologi produkcji kilkanaście razy większe niż pary
bipolarnej. Z czego to wynika ?
Współczynnik
At temperaturowej zmiany napięcia bramki JFet wyrażony z mV/K
związany jest ze zmianami potencjału kontaktowego i ruchliwości
nośników większościowych.
At
= -2.2 + 0.0035 ( Up - Ugs)
Gdzie
Up jest napięciem odcięcia bramki. Dla napięcia Ugs=Up-0.63V
współczynnik At =0.
|
|
Dla
egzemplarza popularnego tranzystora polowego BF245A napięcie
odcięcia ( dla pradu drenu 10 nA )wynosi circa Up=1.83V. Dla
napięcia Ugs=1.83 – 0.63=1.2V prąd drenu nie zależy od
temperatury ( tego należy się spodziewać z wykresu ) co jest
zgodne z teorią fizyczną ! Ale dla wejściowego stopnia
różnicowego prąd drenu (ca 650uA) jest wtedy zdecydowanie za
duży. Dla mniejszych ( co do wartości bezwzględnej ) napięć
bramki prąd drenu spada z temperaturą a dla większych rośnie.
|
Różnica
napięć Up i Ugs przy takim samym prądzie Id w punkcie pracy
monolitycznej pary tranzystorów JFet jest co najmniej o rząd
wielkości większa niż dla pary różnicowej. Zatem aby uzyskać
mały dryft napięcia pary różnicowej tranzystorów JFet muszą one
być jak najbardziej identyczne co zapewnia tylko właściwa
technologia produkcji.
Taki
sam współczynnik At oba tranzystory polowe pary mają przy różnych
prądach drenu !
NB.
Różne „optymalne” prądy drenu powodują różne nagrzewanie
tranzystorów pary do daje wtórny dryft. Jest on między innymi
minimalizowany utrzymywaniem małego i stałego napięcia Uds
tranzystorów przy zmianie napięcia wspólnego.
Zatem
zerując dryft napięcia Fetów pary różnicowej poprzez zmiany
prądów drenów (trymowanie rezystorów drenowych lub lustra
prądowego ) tranzystorów zmieniamy napięcie niezrównoważenia to
znaczy je zwiększamy co jest negatywne lub zmniejszamy co jest
pozytywne ! Prądy źródeł muszą być bardzo dokładnie
stabilizowane. Dobrze jeśli prąd pracy tranzystorów wypada blisko
zerowej wartości współczynnika At.
Znane
są od 1974 roku rozwiązania układowe wzmacniaczy pozwalające
wyzerować dryft temperaturowy napięcia niezrównoważenia pary
różnicowej JFet drogą zmiany prądów drenów tranzystorów pary
różnicowej i niezależnie celowo wprowadzić terapeutyczne
niezrównoważanie kompensujący istniejące niezrównoważenie.
Można
stosować laserowy tryming rezystorów monolitycznego wzmacniacza lub
zewnętrzne potencjometry.
Sprawa
uprasza się gdy wzmacniacz pracuje w konfiguracji odwracającej z
wejściem dodatnim połączonym do „GND”. Do wejścia dodatniego
można podać napięcie równoważące z potencjometru.
W
1970 roku pojawiły się podwójne monolityczne tranzystory JFet o
dobrych a nawet bardzo dobrych parametrach. W ramach rodziny
tranzystorów produkty selekcjonowano pod względem prądu
polaryzacji oraz napięcia niezrównoważenia pary.
Koncerny
Analog Devices i Burr Brown w 1970 roku wypuściły hybrydowe
wzmacniacze ze stopniem wejściowym JFet. W typowej małej obudowie
„monolitycznej” TO99 umieszczono dedykowany chip AD wzmacniacza
bipolarnego oraz chip podwójnego JFeta. Napięcie niezrównoważenia
było trymowane laserowo nacinaniem rezystorów.
W
tej rodzinie elektrometryczny wzmacniacz AD515L miał bardzo mały (
typ selekcjonowany 0.075 pA ale oczywiście szybko rosnący z
temperaturą ) prąd polaryzacji wejść i dość małe szumy.
Mankamentem układów była wprost szalona ich cena.
|
|
Zbliżone
parametry do AD515L ma hybrydowy typ 3523 Burr-Brown także w
małej obudowie TO99. O ile AD użył specjalnego bipolarnego
wzmacniacza operacyjnego to BB użył typowego układu. Pierwszy
Fet od góry stabilizuje napięcie Uds na wejściowej parze
JFetów. Natomiast dwa dolne Fety tworzą źródła prądowe.
|
W
1972 roku Intersil wypuścił monolityczny układ wzmacniacza JFet
typu ICL8007 z tranzystorami P-JFet ( Dave Fullagar, “Better
Understanding of FET Operation Yields Viable Monolithic JFET Op Amp,"
Electronics, November 6, 1972 ). W temperaturze pokojowej układ miał
wejściowy prąd polaryzacji wejść poniżej 0.3pA ale duże
napięcie niezrównoważenia i jego dryf. W konstrukcji zastosowano
bardzo interesujące rozwiązania.
Intersil
podał że wzmacniacz logarytmiczny wykonany na wzmacniaczu
operacyjnym ICL8007 i podwójnym monolitycznym tranzystorze NPN typu
IT120 pracuje w zakresie 10 dekad prądu od 0.1pA do 1mA !
Analog
Devices, gdzie pracowano nad analizowanym problemem dużego napięcia
niezrównoważenia i jego dryftu, w 1974 roku wypracowano
rozwiązanie układowe pozwalające trymingiem uzyskać jednocześnie
małe napięcie niezrównoważenia wzmacniacza JFet i jego mały
dryft. Wraz z nową technologią zastosowano je w 1982 roku w
układzie AD547 mającym dryft 1 uV/C i później w elektrometrycznym
układzie AD549.
Podstawową
nieusuwalną wadą dawnych układów monolitycznych wzmacniaczy z
wejściem JFet były nad wyraz marne tranzystory Fet.
Nad
monolityczną technologią implantacji jonów dającą dobre
tranzystory JFet pracował koncern National Semiconductor. W 1974
roku wprowadzono układy LF155/LF156/LF157 ( Ronald W. Russell,
Daniel D. Culmer, "Ion-Implanted JFET-Bipolar Monolithic Analog
Circuits," ISSCC Digest of Technical Papers, February 1974, pp.
140-141 ). Układy mają małe napięcie niezrównoważenia i jego
dryft oraz prąd wejściowy około 30pA, oczywiście w temperaturze
pokojowej. Układy mają dość szerokie pasmo i dość małe szumy.
Aby uzyskać szybki stopień wyjściowy bez użycia wolnego
tranzystora PNP zastosowano w nim tranzystor P-Fet. Niestety w
części układów prąd spoczynkowy stopnia wyjściowego potrafi być
niestabilny. Odkryto też inne wady układów tej rodziny. Tanie i
dość dobre układy zyskały dużą popularność. W intencji NS
układy miały zasilać masowy rynek i nie były dedykowane do małych
nisz.
W
tym samym czasie koncern RCA ( Otto Schade, "CMOS/Bipolar
Linear Integrated Circuits," ISSCC Digest of Technical Papers,
February 1974, pp. 136-137 oraz R. L. Sanquini, “Building C-MOS,
Bipolar Circuits on Monolithic Chip Enhances Specs,” Electronics,
October 3, 1974 ) usunął słabości analogowej technologi CMOS i
wypuścił układ CA3130 z wejściowym stopniem P-MOS i wyjściowym
CMOS. Środkowy stopień wzmocnienia napięciowego jest bipolarny.
Napięcie niezrównoważenia i jego dryft są dość małe. Prąd
polaryzacji samych wejściowych tranzystorów MOS jest znikomy a
prąd układu wzmacniacza wynika z obecności układu ochrony
wejściowych tranzystorów P-MOS zawierających diody. Podstawową
wadą tranzystora MOS były i są bardzo duże napięciowe szumy 1/F.
Prąd spoczynkowy prościutkiego i nieliniowego wyjściowego stopnia
CMOS szybko rósł z napięciem zasilania. O ile układ CA3130 nie
zdobył popularności to kolejny układ CA3140 z bipolarnym stopniem
wyjściowym zdobył sporą popularność. Przy całkowitym napięciu
zasilania 5V prąd polaryzacji wejścia w temperaturze pokojowej
wynosi 1-2 pA. W intencji RCA tanie układy były kierowane na
masowy rynek.
Z
opóźnieniem do wyścigu technologicznego przystąpił koncern Texas
Instrument. Dopiero w 1978 roku (Dale Pippenger, Dale May, "Put
BIFETs Into Your Linear Circuits," Electronic Design, January 4,
1978, pp. 104-111) oferował tanie pojedyncze, podwójne i poczwórne
układy wzmacniaczy operacyjne BiFET TL06x, TL07x, and TL08x.
Zyskały one ogromną popularność i mają drugich producentów. Są
zamienne aplikacyjne w jedną stronę z typami bipolarnymi. Układy
są łatwe aplikacyjnie i nie stwarzają niespodzianek. W intencji TI
układy kierowane są na masowy rynek a nie do nisz.
W
1983 roku ( a więc 9 lat po RCA ) TI wprowadził masowo produkowane
układy w technologi LinCMOS a w tym rodzinę układów wzmacniaczy
operacyjnych TLC274. W temperaturze pokojowej upływ wejścia wynosi
0.5-1 pA. Małe są wejściowe napięcia niezrównoważenia i ich
dryf.
Na
początku dekady TI wprowadził do oferty naśladowcze precyzyjne
wzmacniacze operacyjne OP07 i OP12 co wskazuje na jego rosnące
zainteresowanie tym segmentem rynku. Można przewidywać że po
prostu kupi firmę z tego segmentu produkcji z kłopotami finansowymi
lub jej oddział.
Pod
koniec lat siedemdziesiątych wszystkie półprzewodnikowe koncerny
amerykańskie i japońskie masowo produkowały wzmacniacze JFet.
Przewaga
monolitycznej pary JFetów nad wzmacniaczem monolitycznym leży w
zabezpieczeniu obecnym w typowym scalonym wzmacniaczu BIFet, które
mocno podnosi wejściowy prąd upływu. We wzmacniaczu
elektrometrycznych bramki wejściowych JFetów nie są chronione i
projektant musi ograniczyć awaryjny prąd wpływający do wejścia
Niechronione
bramki podwójnych JFetów są trochę delikatne ale w układzie do
ochrony wystarczy szeregowy z bramką rezystor ograniczający
awaryjny prąd wejściowy.
Celem
minimalizacji upływu w układzie ochrony wejść ( jeśli jest
stosowany ) bezpośrednio dołączone do wejść diody systemu
ochrony muszą pracować przy napięciu bliskim zeru, co komplikuje
cały układ ochronny.
Natomiast
bardzo delikatne są bramki tranzystorów Mosfet, które muszą być
chronione.
W
1984 roku Burr-Brown wprowadził układ OPA111 (Steve Millaway,
"Monolithic Op Amp Hits Trio of Lows," Electronic Design,
February 9, 1984) wykonany „drogą” technologią izolacji
dielektrycznej. Nazwa "111" sugerowała że układ jest
potrójnym niekwestionowanym liderem bowiem ma napięcie
niezrównoważenia poniżej 1 mV i jego dryft poniżej 1 uV/C oraz
szumy 1μVrms
w paśmie 10Hz-10kHz. Nie
jest to jednak wzmacniacz elektrometryczny ale ogólnego zastosowania
BB
produkował i produkuje także wzmacniacze elektrometryczne. Są
bardzo drogie.
Pierwszym
monolitycznym układem wzmacniacza elektrometrycznego Analog Devices
jest układ AD549 z 1986 roku. W lepszej wersji układ ma prąd
polaryzacji wejścia 0.06 pA a więc taki sam jak układ hybrydowy
sprzed lat. Dryft napięcia wejściowego wynosi 5 uV/C. W paśmie
0.1-10 Hz międzyszczytowe napięcie szumów wynosi typowo 4 uVp-p.
N.B
Szumy nisko-częstotliwościowe są mierzone w paśmie 0.1 -10 Hz. Z
reguły podaje się ich wartość międzyszczytową. Natomiast szumy
powolne w paśmie poniżej 0.1Hz uważane są już za dryft !
Rozwiązania
użyte w układzie AD549 są omówione w patencie z 1984 roku. Bazują
one na na wcześniejszych rozwiązaniach, zwłaszcza tego z 1974
roku. Układ produkowany jest w technologi tańszej ( od izolacji
dielektrycznej ) izolacji złączowej. W stopniu wejściowym
zastosowano tranzystory z górną bramka „topgate” o małym
upływie. Każdy monolityczny tranzystor JFet i Mosfet ma tak
naprawdę też bramkę tylną i w wykonaniu wejściowych
tranzystorów JFet w tym układzie jawnie je wydzielono.
Zmiana
rezystorów w lustrze prądowym służy do zmiany stosunków prądów
drenów wejściowych tranzystorów i minimalizacji dryftu
napięciowego. Zmiana wartości rezystorów w źródłach służy do
zmniejszania napięcia niezrównoważania.
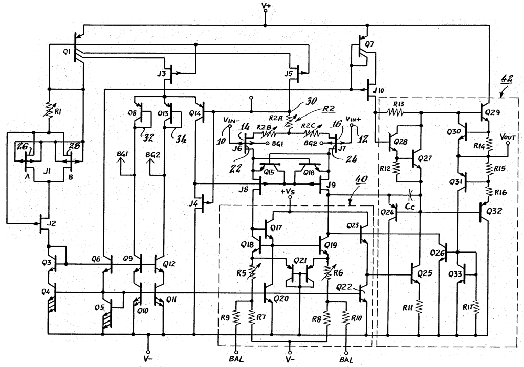
Tylne
bramki BG1 i BG2 tranzystorów wejściowej pary J6 i J7, są
spolaryzowane podobnym napięciem jak bramki wejściowe poprzez pętlę
z Q14 i Q13-Q8.
Pętla
z J4 i J8-J9 bootstrapuje napięcie Uds pary wejściowej utrzymując
je na stałym poziomie niezależnie od napięcia wspólnego. Prąd
źródła prądowego dla pary wejściowej jest dobrze stabilizowany
co jest konieczne.
Monolityczne
wzmacniacze elektrometryczne AD, BB, Harris-Intersil i PM są
prohibicyjnie drogie co wynika z oligopolistycznej pozycji grupy firm
i małości - płytkości nisz. Jeśli dojdzie do szerokiego
stosowania sensorów wymagających wzmacniaczy elektrometrycznych to
giganci elektroniki uruchomią ich tanią masową produkcje. To
oczekiwania rynku są motorem postępu !
Producenci
używający wzmacniacza elektrometrycznego nadal stosują podwójnego
monolitycznego JFeta o małym prądzie bramki jako symetryczny
wejściowy wtórnik źródłowy a za nim zwykły wzmacniacz
operacyjny dobrej jakości czyli uproszczoną konfiguracje dawnych
hybrydowych wzmacniaczy AD, BB, Harris-Intersil i PM.
|
|
Na
wykresie pokazano prąd upływu bramki podwójnych monolitycznych
tranzystorów rodziny 2N5902-5909 stosowanych we wzmacniaczach
elektrometrycznych, również w chromatografach. Tranzystory są
selekcjonowane według dryftu napięcia niezrównoważenie i
maksymalnego prądu upływu bramki.
Dla
małego upływu bramki napięcie Uds musi być mniejsze od 10V a
prad drenu od 30 uA.
|
Współcześnie
we wzmacniaczu elektrometrycznym dla detektorów jonizacyjnych
chromatografu dominuje kaskadowa konfiguracja wzmacniaczy
logarytmicznego – eksponencjalnego gdzie dodatkowy sygnał
napięciowy podany do bazy tranzystora wzmacniacza eksponencjalnego
wyznacza w szerokim zakresie wzmocnienie prądowe całości. Po raz
pierwszy to oczywiste i doskonałe rozwiązanie pozwalające nie
stosować drogich i kapryśnych rezystorów o oporności wielu
Gigaomów wprowadził Hewlett Packard w 1973 roku.
Konfiguracja
pary wzmacniaczy u HP jest bardziej skomplikowana dlatego że w
nietypowym rozwiązaniu detektora FID firmy HP może być zmieniana
polaryzacja napięcia 100-300V zasilania i biegunowość prądu
wyjściowego z komory jonizacyjnej detektora.
Zwykle
jest stosowana para tranzystorów NPN a tu dano dodatkowo parę
tranzystorów PNP dla ujemnych prądów wejściowych.
Deklarowanym
zadaniem rezystora Re jest zmniejszenie strefy martwej przy zmianie
znaku prądu z detektora i płynne przejście przy bezwzględnym
poziomie prądu około 10e-13A. Zauważyć jednak należy że HP
„pomylił ” polaryzacje tranzystorów ( należy zamienić
miejscami typy PNP i NPN ) i rezystor Re poszerzyłby strefę martwą.
Zwróćmy
uwagę że napięcie podane do bazy tranzystora wzmacniacza
eksponencjalnego regulujące wzmocnienie musi być proporcjonalne do
temperatury T w skali Kelvina. Użyteczny scalony sensor temperatury
LM335 dostarcza napięcie proporcjonalne do temperatury T. W
wykonaniu HP temperatura modułu wzmacniacza jest dokładnie
stabilizowana co zmniejsza wymagania na proporcjonalność napięcia
zmieniającego wzmocnienie adekwatnie do zmiennej temperatury
tranzystorów logarytmującego i eksponencjalnego.
W
rozwiązaniu HP hermetycznie zamknięty w metalowej obudowie
wzmacniacz elektrometryczny chłodzony jest precyzyjnie z
dokładnością średnioczasową 0.01C ogniwem termoelektrycznym
Peltiera do temperatury 0C co pozwoliło co najmniej 5 krotnie
zmniejszyć i ustabilizować prąd upływu wejściowego tranzystora
JFet.
W
innym rozwiązaniu hermetycznie zamknięty w metalowej obudowie
wzmacniacz elektrometryczny jest podgrzewany do stabilnej temperatury
z przedziału 40-50 stopni. Wymaga to jednak ekstremalnie małego
prądu upływu wzmacniacza jako że prąd upływu bramki tranzystora
JFet podwaja się co 10C przyrostu temperatury.
Chłodzenie
i nagrzewanie wymaga do stabilizacji czasu około 15 minut od
włączenia chromatografu. Obie akcje powodują pojawianie się
szkodliwych gradientów temperatur i powstawanie prądów powietrza a
także powstawanie na złączach zakłócających napięć
termoelektrycznych.
N.B
Gradienty temperatur w samym układzie scalonym powodują duże
dryfty. Przyrost temperatury spowodowany samonagrzewaniem jest
znacznie bardziej szkodliwy niż taki sam przyrost temperatury
otoczenia.
Znacznie
lepszym rozwiązaniem byłoby chłodzenie lub grzanie modułu
wzmacniacza według potrzeby dla utrzymania temperatury circa 25C.
Moc grzałki i ogniwa Peltiera w takim przypadku mogą być
niewielkie.
Chłodzenie
powoduje niebezpieczną kondensacje wilgoci. Obudowa chłodzonego
wzmacniacza elektrometrycznego musi być szczelna. Dodatkowo
konieczny jest pochłaniacz wilgoci.
Zwróćmy
uwagę że współcześnie z użyciem miniaturowych elementów SMD do
montażu powierzchniowego wzmacniacz może być bardzo
zminiaturyzowany i wymagana moc na grzanie – chłodzenie może być
mała.
Współcześnie
w skomputeryzowanych chromatografach sygnały ze wzmacniaczy
elektrometrycznych podawane są po filtracji przeciwzakłóceniowo –
antyaliasingowej do przetworników A/D.
Przetworniki
A/D metody podwójnego całkowania są dość wolne ale na przykład
stosowane w multimetrach dobrze tłumią zakłócenia sieciowe o
częstotliwości 50Hz.
Wadą
przetwornika A/D z podwójnym całkowaniem jest wykorzystywanie
informacji z sygnału tylko w czasie jego całkowania.
Podjęto
próby integracji wzmacniacza elektrometrycznego w przetworniku
wejściowego prądu z detektora na częstotliwość i prąd na czas
impulsów.
Pokazany
przetwornik prąd na czas niestety słabiej tłumi zakłócenia niż
przetwornik z podwójnym całkowaniem a cały czas wykorzystuje
sygnał czyli informacje w nim zawartą
|
|
Sygnałem
wyjściowym systemu jest od razu częstotliwość sygnału
wyjściowego.
Schemat
jest uproszczony. W rzeczywistości wzmacniacz elektrometryczny
pracuje w konfiguracji integratora a za nim dano typowy
komparator.
Wypracowanie
i bezzakłóceniowe podanie napięcia Ve do emitera tranzystora
jest skomplikowane i cały system ma podobną komplikacje jak
wzmacniacz logarytmiczny – eksponencjalny z dodatkowym
przetwornikiem V/F.
|
|
|
Sygnałem
wyjściowym systemu jest od razu czas trwania impulsów sygnału
wyjściowego.
Schemat
jest uproszczony. W rzeczywistości wzmacniacz elektrometryczny
pracuje w konfiguracji integratora a za nim dano typowy
komparator.
Wypracowanie
i bezzakłóceniowe podanie napięcia Ve do emitera tranzystora
jest skomplikowane i cały system ma podobną komplikacje jak
wzmacniacz logarytmiczny – eksponencjalny z dodatkowym
przetwornikiem V/T.
|
Pożerana
moc z zasilacza nagrzewa urządzenie a w tym tranzystory JFet
wzmacniacza elektrometrycznego co jest bardzo nie pożądane.
Tradycyjnie
energożerną elektronikę analogową zasilano napięciami +/-15V a
część mikrokomputerową napięciem 5V. Ale to rozwiązanie
odchodzi do historii.
Fizyczne
własności krzemu ograniczają iloczyn częstotliwości granicznej
tranzystora bipolarnego i napięcia Uceo do około 200 GHzV. Im
wyższe napięcie Uceo ma tranzystor tym jest wolniejszy. Fizyka
tranzystora wysokonapięciowego powoduje że jest on wolny, ma
znikome wzmocnienie prądowe i występuje w nim quasi-nasycenie oraz
przeciąganie prądu kolektora. Tranzystor niskonapięciowy może
mieć ogromną częstotliwość Ft ale oprócz tego ma duże
wzmocnienie i małe napięcie nasycenia. Bardzo dobrze pracuje z
małymi napięciami Uce.
Szybkie
procesory i tranzystory w układach analogowych z powodów fizycznych
muszą być wykonane wysoko-rozdzielczą technologią monolityczną
na niskie napięcia.
Nowością
są jeszcze niskonapięciowe wzmacniacze operacyjne o wyjściu Rail
to Rail czyli o dużym zakresie napięcia wyjściowego bliskiego
napięciom zasilania. Z takimi układami pojedyncze napięcie
zasilania +5V a nawet niższe może być wystarczające.
Tradycyjnie
w starym procesie monolitycznym, którym produkowano układy
analogowe, napięcie Uceo tranzystorów NPN wynosi około 50 V a ich
częstotliwość Ft około 500 MHz.
W
bilansie błędów interfejsu do sensora dominują błędy
wzmacniacza wejściowego. Wzmacniacz operacyjny interfejsu sensora z
wyjściem R-R może / powinien być zasilany tym samym napięciem
+5V_anal co przetwornik A/D mikrokontrolera.
Tłumienie
sygnału wspólnego wzmacniacza instrumentalnego w którym CMRR jest
proporcjonalny do względnej dokładności rezystorów jest też
proporcjonalne do wzmocnienia a to z kolei wyznaczane jest zakresem
napięć wyjściowych czyli wielkością napięcia zasilania. Tylko w
tym wypadku duże napięcie zasilania daje korzyść w tłumieniu
sygnału wspólnego CMRR.
Przy
zastosowaniu wyjść Rail to Rail w paśmie akustycznych przy
zasilaniu 5V można uzyskać we wzmacniaczu CMOS dynamikę sygnału
około 120 db a więc bardzo dużą.
Według
obecnego stanu wiedzy najbardziej perspektywiczną i uniwersalną
jest technologia CMOS. W dziedzinie procesów giganci już na nią
postawili. Technologia CMOS znakomicie nadaje się do sensorów od
razu scalonych z interfejsem a w tym ze wzmacniaczem! Masowo
produkowane są już do kamer niedrogie video przetworniki CCD. Mogą
być one też produkowane technologią CMOS. Per analogia można
sobie wyobrazić macierze biosensorów czy innych sensorów.
Częstotliwość
graniczna tranzystora P jest co prawda 2-3 krotnie mniejsza niż typu
N ale częstotliwości szybko rosną przy zmniejszaniu wymiarów
tranzystorów.
Para
tranzystorów CMOS ma duże napięcie niezrównoważenia i duże
napięciowe szumy 1/F. Genialne autozerowanie wejścia wprowadzone w
układzie Intersil ICL7650 zmniejsza niezrównoważenie i jego dryf
nieomal do zera i zmniejsza też szumy 1/F. Niestety powiększa
wejściowe szumy prądowe. Mankamentem układu ICL7650 są dwa
dodatkowe zewnętrzne kondensatory systemu autozerowania ale wada ta
wydaje się łatwa do usunięcia. Znaczna ilość użytych
tranzystorów CMOS jest bez znaczenia wobec ich małego rozmiaru.
Przy
rosnącej rozdzielczości procesu fotolitograficznego niedługo
powierzchnia jednego pada przyłączeniowego na układzie scalonym
będzie odpowiadać tysiącom tranzystorów CMOS.
Podsumowując:
-
Celem każdej działalności jest docelowa nowoczesna i rentowna
produkcja.
-
Szumy napięciowe tranzystora JFet i Mosfet maleją wraz powierzchnią
tranzystora ale rośnie wtedy upływ bramki i prąd szumów oraz
maleje napięcie niezrównoważenia. Zatem we wzmacniaczu elektrometrycznym
powierzchnia tranzystorów musi być mała lub bardzo mała co
pociąga duże napięcie niezrównoważenia i jego dryft.
-
W konstrukcji scalonych tranzystorów JFet stosuje się różne
zabiegi projektowe i technologiczne jak „tylna bramka” i „górna
bramka” pozwalające mocno zredukować prąd bramki. Bardzo ważna
jest czystość użytych do produkcji materiałów.
-
Impedancja na wejściu wzmacniacza odwracającego przetwarza szumy
napięciowe na prądowe. Z tego względu bardzo korzystne są
wzmacniacze logarytmujące bowiem tranzystor logarytmujący ma zawsze
przy każdym prądzie wejściowym największą kolektorowa oporność
wyjściową i bije parametrami wzmacniacz z gigaomowymi opornikami w
sprzężeniu zwrotnym. Impedancja jest szczególnie istotna przy
tranzystorach Mosfet które mają bardzo duże napięciowe szumy typu
1/F. Stąd integracja sensora z tranzystorami CMOS jest sytuacją
idealną. Szkodliwą pojemność wnoszą specjalne ekranowane kable,
które są drogie. Drogie są też specjalne złącza.
-
Duże są ( na tle tranzystorów bipolarnych ) napięciowe szumy typu
1/F tranzystorów JFet. Bardzo duże są napięciowe szumy typu 1/F
tranzystorów Mosfet co często eliminuje je z pola wyboru. Po
zastosowaniu konstrukcyjnych środków ochronnych upływ bramki
małego Mosfeta może być na poziomie 1e-16A ale upływ wnoszą też
wejściowe układy zabezpieczające, które muszą być bardzo
przemyślne.
-
Szybko rosnący z temperaturą upływ bramki tranzystora JFet można
skompensować upływem bramki dodatkowego kompensacyjnego tranzystora
JFet lub upływem złącza B-E małego tranzystora bipolarnego
zasilanego z potencjometru do regulacji prądu kompensacji. Nie są
to rozwiązania polecane.
-
We wzmacniaczu logarytmicznym należy stosować małe powierzchniowo
tranzystory bipolarne o małym upływie jak przykładowo 2N4044 o
maksymalnym prądzie kolektora 10 mA lub alternatywnie radiowe
tranzystory BF lub najlepiej dedykowane pary monolityczne do tego
celu.
-Para
tranzystorów log-exp jeśli pracuje przy różnych prądach a tak
jest we wzmacniaczu
elektrometrycznym
gdzie tranzystor exp pracuje przy dużo większym prądzie ( służy
do tego regulacja wzmocnienia ), pojawia się dodatkowy błąd
realnie do 0.5-1% który można z łatwością wielokrotnie
zmniejszyć ( dwa dodatkowe trywialne rezystory w części log) co
nie jest praktykowane. Sygnał z regulowanego wzmacniacza log-exp
można doprowadzić do przetwornika A/D mikrokontrolera o
umiarkowanej dokładności10 bitów. Program musi jednak regulować
wzmocnienie pary log-exp aby przetwornik A/D zawsze dokładnie
pracował z w miarę dużymi sygnałami co nie jest trudne.
-
Scalanie interfejsu z sensorem o dużej oporności jest praktykowane
od dawna. Od 1971 roku produkowany jest binarny sensora Halla scalony
z prostym wzmacniaczem – komparatorem z histerezą. Prosty schemat
wewnętrzny układu jest znany.
|
|
Texas
Instrument od 1978 roku produkuje liniowy sensor Halla TL173C.
Zawiera on regulator prądu (dla zachowania stałej czułości w
funkcji temperatury ) zasilający mostek Halla, regulator napięcia
dla wzmacniacza sygnału z mostka, wzmacniacz i stopień
wyjściowy. Układu można użyć choćby do izolowanego pomiaru
prądu w szczelinie rdzenia przez przez jeden / kilka zwoi
przepływa duży mierzony prąd.
|
Miniaturowy,
scalony odbiornik do układu zdalnego sterowania zawiera fotodiodę
na podczerwień, wzmacniacz – filtr, układ automatycznej regulacji
wzmocnienia i komparator wyjściowy. Scalenie funkcji oszczędza
kilkadziesiąt elementów dyskretnych, które zastępuje w
tradycyjnym rozwiązaniu. Integracja ta czyni zdalne sterowanie tanim
i powszechnie stosowanym. Na zachodzie sprzętu RTV bez zdalnego
sterowania już się nie sprzedaje. Sensor z fotodiodą stosowany w
lampach błyskowych o samoregulującej się sile błysku ma też
scalony prosty wzmacniacz. Od lat produkowane są scalone czujniki
temperatury. Wygląda na to że produkowane piezoelektryczne czujniki
ciśnienia też zostaną scalone ze wzmacniaczem.
-
Potrzeba jest matka wynalazku ale też desperacja jest matką
wynalazku. Potężny tandem koncernów Sony – Philips opracowując
odtwarzacz CD ( narzucili całemu światu swój standard i normę !)
nie mógł uporać się z szybkim i tanim (!) 16 bitowym
przetwornikiem D/A. Z desperacji rozwinięto ideę Sigma Delta i
filtrowania cyfrowego. Już obecnie masowo produkowane tanie
przetworniki D/A z zapasem spełniają wymagania normy CD.
Czyli
przyszłość rysuje się optymistycznie.


Tego szukałem. Bardzo użyteczne .
OdpowiedzUsuńWitam
UsuńCiesze się ze się przydało !